Как правильно положить теплый пол водяной.. Водяной тёплый пол своими руками – устройство и пошаговый монтаж
- Как правильно положить теплый пол водяной.. Водяной тёплый пол своими руками – устройство и пошаговый монтаж
- Бюджетный теплый пол своими руками. Теплые водяные полы в частном доме – инструкция, как сделать своими руками
- Монтаж теплого пола. Монтаж инфракрасного электрического теплого пола
- Теплый пол водяной своими руками. Расчет теплого водяного пола
- Водяной теплый пол своими руками в частном доме. Расчёт и выбор материалов
- Теплый пол водяной недостатки. Преимущества и недостатки водяных полов
- Водяной теплый пол нюансы. Водяной теплый пол
- Водяной теплый пол: плюсы и минусы. Плюсы и минусы водяных теплых полов
- Водяной теплый пол, как работает. Теплый пол, как основная система отопления дома
Как правильно положить теплый пол водяной.. Водяной тёплый пол своими руками – устройство и пошаговый монтаж
Сегодня тёплый водяной пол является популярной системой обогрева, обладающий несложной технологией укладки, имеющий приемлемую стоимость и доступные расходы при эксплуатации. Кроме того, в отличие от электрических систем, излучающих электромагнитные волны, он полностью безопасен для здоровья человека.
Важно, что технология укладки является не сложной, поэтому произвести монтаж водяного тёплого пола своими руками не составит труда практически каждому домашнему мастеру. А важным плюсом самостоятельного монтажа станет снижение общих затрат, что несомненно отразиться на общей стоимости эксплуатации и установке данной системы отопления.
Как укладывать теплый пол: для водяного теплого пола трубы с горячей водой укладывают змейкой или улиткой. Для электрического пола, различные нагревающие элементы устанавливаются по определенным технологиям.

Преимущества и недостатки водяного тёплого пола
Основной плюс гидравлических полов — обеспечение горизонтального равномерного прогрева помещения. При этом распространение тепла происходит вертикально, что создаёт здоровый микроклимат, в отличие от радиаторных устройств. Особенно рекомендован монтаж такой системы для помещений с высокими потолками.
Если рассматривать водяные конструкции с эстетической стороны, то они также выигрывают, так как не видны, и не занимают полезного пространства. Помимо этого, как уже говорилось выше, они более экономичны при использовании.
Эффективность работы водяных полов зависит от хорошей теплоизоляции, ведь повышенный уровень теплопотерь снижает теплоотдачу. Но монтаж такой системы в ванной комнате или туалете имеет свои недостатки — возможность перегрева поверхности, так как чаще нагревательный элемент подсоединяется к полотенцесушителю.
Кроме того, такие полы отрицательно сказываются на высоте помещения, ведь «пирог» подразумевает наличие толстого слоя бетонной стяжки. Также, бетонная заливка значительно утяжеляет конструкцию, поэтому требуется провести работы по укреплению перекрытий.
Устройство водяного тёплого пола
Водяной тёплый пол имеет многослойную сложную конструкцию, каждый слой несёт свою функцию. Состоит из: основания, гидро и тепло прослойки, армирующего изделия, нагревательного элемента и стяжки из бетона.
На стяжку кладётся подложка, на которую монтируется напольное покрытие, оно должно иметь специальный значок, говорящий о возможности его укладки на тёплые системы.
Места соединения стен и стяжки, а также границы водяного контура следует проложить демпферной лентой, это поможет компенсировать расширения бетона при изменениях температуры.
Чаще, самостоятельная укладка данной нагревательной конструкции производится «мокрым» способом, то есть путём заливки цементно-бетонной стяжки. Но возможен «сухой» монтаж, он применяется в домах с деревянными перекрытиями.

Особенности подготовки помещения
В связи с тем, что конструкция тяжёлая, с большой протяжённостью труб и соединительных узлов, то монтаж имеет свои технологические особенности.
Вследствие чего нужно производить укладку каждого слоя строго по инструкции. Но сначала мы разберем особенности подготовки помещения.
Бюджетный теплый пол своими руками. Теплые водяные полы в частном доме – инструкция, как сделать своими руками
Один из важных вопросом, который встаёт при строительстве частного дома — как своими руками правильно сделать систему отопления для комфортного существования.
Сегодня, в загородных домах популярными являются водяные тёплые полы. Несмотря на трудоёмкость процесса при их сооружении и дороговизну, конструкция окупится в течение 5 лет.
Важно! Начиная строить дом, рекомендуется заранее продумать систему отопления.

Проектирование
Особенно выгодным и оптимальным решением считается монтаж водяного контура в коттеджах, имеющих газовые котлы. Данная конструкция менее затратная в плане затрат энергоресурсов и проста в эксплуатации, в результате чего является наиболее эффективной.
Система может работать безупречно лишь при наличии профессионально сделанного проекта и при грамотном монтаже.
Поэтому, прежде чем начать монтаж водяного отопления в каркасном доме или на даче, первым делом нужно подготовить проект. При составлении проекта, следует продумать вид материала, который будет укладываться в «пирог» и толщину каждого слоя.
Кроме того, требуется изготовить план размещения труб. Изобразить схему можно на обычном листке в клеточку, где каждая клетка будет шагом укладки контура.
Шаг зависит от климатических особенностей региона. В местах с умеренными климатическими условиями:
- при хорошей теплоизоляции в доме — шаг 20 см;
- при отсутствии качественного утепления стен из кирпича, бетона или дерева — 10 см;
- в больших помещения, при наличии тёплых и холодных стен — шаг делается различный, у тёплых стен — он больше, у холодных — меньше.
Устройство тёплого пола
«Пирог» тёплого водяного пола — многослойная конструкция с жидким теплоносителем внутри. Основной элемент тёплого пола — труба из металла или полимера, по которой осуществляется циркуляция воды или антифриза. Каждый слой имеет свое предназначение, и играет важную роль для эффективного функционирования всей системы в целом. Поэтому, при сооружении следует соблюдать четкую последовательность.
«Пирог» водяного пола выглядит следующим образом:
- основание — из дерева или бетонной плиты;
- гидроизоляция — полиэтиленовая плёнка (0,1 мм);
- теплоизоляция — пенополистирольные плиты, или другой утеплитель с плотностью 40 кг/м³ и толщиной от 300 мм;
- водяной контур — трубопровод;
- арматурная сетка — обеспечивает плотность стяжки, допустимая толщина прутьев 3 — 5 мм;
- бетонная стяжка — раствор из бетона и цемента с пластификаторами;
- финишное покрытие — любой материал совместимый с греющими полами.

В общей сложности, толщина данной конструкции в частном доме может составлять от 7 до 15 см. Контур водяного пола подсоединяется к коллекторному узлу.
Водяные конструкции бывают:
- Тяжёлыми (мокрыми) — один из наиболее распространённых вариантов. Важная роль тут отводится черновому основанию, на него кладётся гидро- и теплоизоляция, трубы и армирующая сетка, и все заливается бетонным раствором. Данный способ рекомендован для кирпичных коттеджей имеющих бетонные перекрытия, которые способны выдержать тяжесть стяжки.
Важно! Слой бетона под контуром не должен быть меньше 3 см.

- Лёгкими — основой под трубами являются пенополистирольные плиты. Они укладываются на черновой пол и на них монтируется водяной контур. Так как плиты оснащены бобышками, с помощью которых фиксируются трубы, то не требуется их дополнительное крепление. Сверху укладываются теплопластины, на которые стелется напольное покрытие.
К сведению! Данный вариант подходит для частных домов с деревянными перекрытиями, которые не способны выдержать тяжёлую конструкцию.

- По деревянным рейкам — то есть основой будут служить дерево, к которому монтируются нагревательные элементы. Эта конструкция закрывается гипсоволокном и финишным покрытием. Но данный метод не надёжен, поэтому рекомендован для укладки в крайнем случае.

Способы укладки контура
Существует три основные способа укладки контура в частном доме своими руками, но все они имеют один общий момент — трубы монтируются от стен по направлению к центру:
- «Улитка» — укладка контура производится по спирали от стен к центру, и обратно. При этом, конструкция сужается к центру помещения. При составлении схемы следует помнить что нужно оставлять место между трубами, для их возвращения к питающему источнику. При помощи данной схемы обогрев напольного покрытия получается равномерный, при этом снижается уровень гидравлического сопротивления. Количество трубного материала при такой укладке меньше, чем при других способах. Основной недостаток — сложный монтаж.

- «Змейка» — трубы размещаются вдоль стен в виде петель. Вариант лёгкий, но при нём не возможно добиться равномерного прогрева полов, так как температура при входе и выходе существенно различается.

- Комбинированный способ — в нём объединяются обе схемы. Подходит для помещений с холодными стенами. Вдоль стен контур укладывается «змейкой», а по центру «спиралью». Этот способ позволяет сэкономить на трубах и увеличить энергоэффективность устройства.
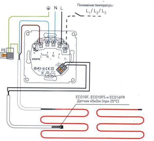
Монтаж теплого пола. Монтаж инфракрасного электрического теплого пола
Инфракрасный (пленочный) теплый пол монтируется с некоторыми отличиями от своего кабельного «собрата». Следуйте инструкции.

Монтаж инфракрасного электрического теплого пола

Электрический инфракрасный теплый пол

Принципиальная схема подключения ИПО
Составляем схему укладки
Первый шаг. Выбираем место установки терморегулятора. Его монтаж рекомендуется выполнять с 15-сантиметровым отступом от поверхности пола.

Монтаж скрытого терморегулятора теплого пола

Монтаж скрытого терморегулятора теплого пола
Второй шаг. Составляем схему укладки системы обогрева.
Важно: пленку нельзя размещать под крупными бытовыми приборами, мебелью и прочими тяжелыми вещами.
При составлении схемы учитывайте следующие важные нюансы:
- первый ряд пленки должен быть уложен с отступом не менее 100 мм и не более 400 мм от стен;
- если теплый пол будет применяться в качестве основной системы обогрева, он должен занимать как минимум 70-75% суммарной площади поверхности;
- если инфракрасная пленка укладывается в качестве дополнения к имеющемуся обогреву, достаточно, чтобы она занимала порядка 40-50% площади основания.
Укладываем и подключаем систему
Первый шаг. Раскладываем инфракрасную пленку поверх теплоизоляции. Придерживайтесь составленной схемы. При необходимости пленку можно резать по заводским линиям.

Раскладываем инфракрасную пленку поверх теплоизоляции

Резка матов
Укладку элементов выполняйте медными частями контактов вниз по направлению к стене с терморегулятором
Второй шаг. Подключаем контактные зажимы к краю медной полоски и подсоединяем провода.
Конструкция инфракрасного теплого пола

Подключение инфракрасного теплого пола
Третий шаг. Изолируем места разрезов инфракрасной пленки и соединений зажимов и кабелей. Для изоляции хорошо подходит специальная битумная мастика.

Подключение инфракрасного теплого пола
Важно: чем длиннее нагревательные полотнища, тем меньше должно быть контактов. Помните: полоса не может быть длиннее 8 м.
Часть зажимов устанавливайте на токонесущую поверхность. Оставшиеся располагайте внутри нагревательной пленки.
Теплый пол водяной своими руками. Расчет теплого водяного пола
До монтажа и закупки материалов обязательно произвести расчет теплого пола. Для этого чертят схему с контурами, которая потом пригодится при проведении ремонтных работ, чтобы знать положение труб.
- Если уверены, что в определенном месте всегда будет стоять мебель или сантехника, в этом месте трубы не укладывают.
- Длина контура диаметром 16 мм не должна превышать 100 м (максимум для 20 мм составит 120 м), иначе давление в системе будет плохим. Таким образом, каждый контур приблизительно занимает не более 15 кв. м.
- Разница между длиной нескольких контуров должна быть небольшой (менее 15 м), то есть все они должны быть равномерной длины. Большие комнаты, соответственно, делят на несколько контуров.
- Оптимальный шаг укладки труб составляет 15 см при использовании хорошей теплоизоляции. Если же зимой частенько бывают морозы ниже -20, то шаг уменьшают до 10 см (можно только у наружных стен). А на севере не обойтись без дополнительных радиаторов.
- При шаге укладки 15 см расход труб составляет примерно 6,7 м на каждый квадрат помещения, при укладке через каждые 10 см – 10 м.
Вообще вопрос, как рассчитать теплый водяной пол, требует отдельного рассмотрения, т. к. при проектировании учитывают множество нюансов: теплопотери, мощность и т. д.
На графике показана зависимость плотности потока от средней температуры теплоносителя. Пунктиром указаны трубы диаметром 20 мм, а сплошными линиями – 16 мм.
В графике показаны данные, справедливые только при использовании цементно-песчаной стяжки толщиной 7 см, с покрытием плиткой. Если толщину стяжки увеличивать, к примеру, на 1 см, то плотность теплопотока понижается на 5-8%.
- Чтобы найти плотность потока, сумму теплопотерь помещения в Ваттах делят на площадь укладки труб (вычитают отступы от стен).
- Средняя температура высчитывается как среднее значение на входе в контур и выходе из обратки.
Оптимальная температура на входе и выходе не должна отличаться более чем на 5-10 градусов. Максимальная температура теплоносителя не должна превышать 55°С.
Чтобы рассчитать длину контура, активную площадь обогрева в квадратных метрах делят на шаг укладки в метрах. К этому значению прибавляют размер загибов и расстояние до коллектора.
По приведенной схеме можно выполнить лишь грубый расчёт и сделать окончательную регулировку за счет смесительного узла и термостатов. Для точной проектировки обязательно обращаться к профессиональным теплотехникам.
Водяной теплый пол своими руками в частном доме. Расчёт и выбор материалов
По правилам, водяной тёплый пол в частном доме должен эксплуатироваться несколько десятков лет, поэтому к выбору комплектующих нужно подходить со всей ответственностью.
Не следует чрезмерно экономить на материале, покупая не дорогой и не высокого качества. Предпочтение необходимо отдавать изделиям с большим сроком службы, ведь конструкцию залитую бетоном сложно ремонтировать.
Выбираем трубы
При установке водяных систем своими руками, чаще используются трубы из сшитого полиэтилена марки PE-X и PERT. Плюс изделий PE-Xа — обладают большой плотностью сшивки, что обеспечивает эффект памяти.
То есть, контур растянутый или деформированный под воздействием нагретого теплоносителя способен принимать изначальную форму. Кроме того, данная модель оснащена аксиальными фитингами, поэтому её можно смело замуровывать под бетонную стяжку.
А вот продукция PERT имеет цанговые фитинги, что говорит о допустимости монтажа только «сухим» способом. Поэтому, эти трубы рекомендованы лишь при заливке стяжкой цельного отрезка изделия, когда фитинги располагаются в местах крепления контура к коллектору.
Многих привлекают полипропиленовые трубы, так как имеют не высокую стоимость, но нередко они бывают низкого качества, поэтому специалисты их не рекомендуют.
Хороший вариант — медные, они долговечны и обладают высокой теплоотдачей, но стоимость их достаточно высокая. А вот металлопластиковые трубы — это отличное соотношение цены и качества. На них не образуется коррозия, имеют небольшой вес и просты в монтаже, так как легко гнутся.
К сведению! Профессионалы не советуют использовать композитный контур с алюминиевой фольгой, ведь металлизированная поверхность может отслоиться.
Если необходима повышенная изоляция, то лучше применять изделие с внутренним покрытием из поливинилэтилена.
Для водяных отопительных устройств на бетонный пол, трубы должны иметь толщину стен 2 мм, а диаметр 16, 17, 20 мм. Эти данные можно найти на самих изделиях.
Выбирая контур, следует отдавать предпочтение проверенным и известным производителям: Rehau и Valtec, Tece, KAN, Uponor. Кроме того, при покупке в обязательном порядке проверяется наличие сертификата соответствия на товар.
Необходимо, также приобрести хомуты, которыми нагревательный элемент будет крепиться к бетонному основанию. В случаи, если в качестве утеплителя будут использоваться маты с бобышками, то потребность в них отпадает.
Теплый пол водяной недостатки. Преимущества и недостатки водяных полов
Использование водяных теплых полов (ТП) возможно в качестве как дополнительного, так и основного источника обогрева комнат в коттеджах и квартирах. Причем чаще всего их укладывают во втором варианте исполнения. В сравнении с батареями напольный обогрев более эффективен в эксплуатации, но и дороже их в реализации.
Среди достоинств систем теплого пола на нагреваемой воде числятся:
- оптимальное для человека распределение тепла по помещению;
- отсутствие циркуляции пыли из-за конвекции воздуха;
- высокая экономичность – теплоноситель приходится нагревать всего до 40–50 0С;
- эстетика – все коммуникации и элементы энергосистемы укрыты в слое стяжки;
- полная электробезопасность;
- отсутствие электромагнитных полей и проблем с высушиванием воздуха;
- срок службы до 50-ти лет;
- плавность прогрева пола, исключающая шоковое воздействие на ламинат и иные покрытия при резком их прогреве.
Если сравнивать рассматриваемый вариант обогрева с радиаторным отоплением, то напольная система оказывается минимум на 20–30% экономичней. А в некоторых случаях эта разница доходит и до 50–60%. Для батарей воду приходится нагревать до температуры в 70–90 0С на входе в радиатор. А для ТП ее подогревают на максимуме, при сильном морозе за окном, лишь до 50–55 0С.

Распределения тепла при отоплении радиатором и системой теплый пол
Минусы у водяного пола следующие:
- возможные протечки воды;
- невозможность укладки в узких коридорах;
- относительная дороговизна;
- большие затраты по времени на устройство;
- высокие нагрузки на перекрытие из-за большого объема бетона;
- подъем пола за счет дополнительной стяжки толщиной 60–150 мм;
- низкая ремонтопригодность;
- высокая инертность.
Чтобы смонтировать трубный теплый пол своими руками и уложить сверху финишное покрытие, требуется до месяца времени. Монтаж его производится в стяжке из бетона, которому нужно порядка трех недель на застывание и упрочнение.
Первоначальные затраты на обустройство водяного ТП выше радиаторного аналога в 1,5–3 раза. Однако благодаря экономичности подобный теплый пол окупается за 3–5 лет.
Главная его проблема – высокая инертность на нагрев. Напольная система отопления из-за толстого слоя бетона долго прогревается (батареи дают тепло в помещение гораздо быстрее). Нередко из-за такого своего запаздывания она просто не успевает за колебаниями температуры на улице.
Водяной теплый пол нюансы. Водяной теплый пол
Хотите сделать свой дом уютным, современным и теплым? Обратите внимание на теплый водяной пол. В этой статье мы подробно опишем все его преимущества и недостатки, расскажем, как выбрать трубы и уложить их, опишем схему коллектора и системы управления.
Преимущества и недостатки водяного тёплого пола. Подготовка основания. Нюансы монтажа. Выбор труб, способы их укладки, частота витков и варианты фиксации. Стяжка и сроки созревания.
Устройство и принцип работы
Водяной тёплый пол, это система обогрева помещения, в которой теплоноситель циркулирует по контуру, находящемуся под напольным покрытием. Обратите внимание, что не всегда трубы находятся в стяжке. Есть «настильные системы», в которых контур не заливается бетоном.

При детальном рассмотрении, пирог водяного тёплого пола состоит из следующих элементов:
- Подготовленное основание;
- Стяжка (5 см);
- Теплоизолятор (5 см);
- Трубы (2 см);
- Стяжка (4 см);
- Напольное покрытие (2 см).
В зависимости от применяемых труб, может быть несколько слоёв гидроизоляции. Основание, это черновой пол в подвальном помещении или на первом этаже частного дома. Первый слой стяжки, требуется именно при отсутствии ровной поверхности.
Теплоизолятор толщиной 5 см – стандартное решение. Но если имеется возможность, то лучше увеличить толщину до 10 см. Это на 10-15% повышает эффективность всей системы. Особенно если водяной тёплый пол устраивается на первом этаже. Лучшим материалом для этого слоя является экструдированный пенополистирол.

Трубы в подавляющем большинстве водяных тёплых полов используются диаметром 16 мм.
Второй слой стяжки закрывает всю систему и служит гигантским аккумулятором тепла.
Толщина пирога водяного тёплого пола, варьируется от 18 до 23 см. А масса 1 м2этой системы достигает четверти тонны! Такие жёсткие условия, существенно ограничивают распространение водяных тёплых полов.
Контур подключают к насосу и котлу, через систему регулировки и контроля.
Где можно использовать
В виду достаточной толщины и массы всей системы, её использование ограничено частным домостроением. В квартирах водяной тёплый пол устанавливать крайне нерационально.

Главная причина – это сложности с подключением питания. К системе центрального отопления можно подключаться только после разрешения из контролирующих органов. И получить его практически невозможно. Даже если оно будет, то исчезнет основной лейтмотив – автономность. Нам известны варианты с установкой в квартире электрических и даже газовых котлов, но это единичные случаи, которые только подтверждают правило: водяной тёплый пол используют только в частных домах.
Преимущества и недостатки
Преимущества водяных тёплых полов во всей полноте раскрываются только при использовании дешёвых энергоносителей, как-то: газ, уголь, дрова. Нагрев теплоносителя электрическим котлом, приблизительно в 7 раз более затратный, чем при использовании газового оборудования.
Гигантская теплоёмкость системы водяного тёплого пола, ещё один плюс. Комната, в которой находится ≈ 100 кг/м2нагретого бетона, быстро остыть не может (в расчёт берётся только верхний слой стяжки).
Но и минусы тоже есть. Прежде всего, это чудовищная инерционность. Чтобы прогреть такой слой стяжки, необходимо время и энергия.
Инерционность подводит к тому, что регулировка температуры водяного тёплого пола, весьма условна. Контролирующая аппаратура снимает показатели температуры с теплоносителя, поверхности пола и воздуха (в некоторых терморегуляторах). Но вносимые через терморегулятор изменения, очень медленно проявляются.
Монтаж водяного тёплого пола
Задача довольно сложная, но выполнимая. Только сначала требуется выровнять основание. Это очень важное требование, учитывая, что выравнивать всё равно потребуется и первым слоем стяжки это делать эффективнее. Почему?
Например, перепад высот в комнате составляет 3 см. Если сразу уложить трубу и только потом выравнивать стяжкой, то получится, что в одном углу высота цементной смеси будет минимальная – 4 см, а в другом 7. Значит, во время эксплуатации тёплых полов, с одной стороны они буду прогревать 4, а с другой 7 см бетона. Такая неравномерная нагрузка, весьма пагубно действует на всю систему в целом и ведёт к быстрой порче напольного покрытия.

Водяной теплый пол: плюсы и минусы. Плюсы и минусы водяных теплых полов

Водяной теплый пол получил свое название за счет того, что имеет некое сходство с классической для многоэтажных домов системой отопления – радиаторной. В случае пола, все, с одной стороны, проще, с другой – сложнее.
Трубы, по которым идет горячая вода монтируются на стяжку, заливаются бетоном, а сверху кладется напольное покрытие. Подобные манипуляции сложно произвести самостоятельно, если, конечно, не иметь соответствующего опыта и специализации, но стоит признаться, что подобные мастера живут не в каждой квартире. К тому же есть определенные проблемы с монтажом подобной системы отопления в городской квартире – нужно согласовать это с управляющей компанией, а в частных домах лучше всего принять решение об использовании теплого пола на этапе котлована, а еще лучше на момент проектирования. В последнем случае, наша компания может на производстве изготовить плиты со специальными выемками под провода и терморегуляторы.
Плюсы
У теплого пола есть большое количество плюсов:
- Наиболее экономичная система отопления дома. За счет того, что у самого теплоносителя относительно небольшая температура (до 50 градусов) в помещениях с высокими потолками расход средств на прогрев комнаты снижается ровно вдвое.
- Равномерное распределение тепла. Из-за того, что прогрев идет от пола достигается оптимальное распределение – около 23 градусов на уровне ног и 18 у головы.
- Безопасность эксплуатации. Все нагревательные элементы надежно спрятаны под половым покрытием, что позволяет спокойно оставлять маленьких детей в помещении и не волноваться о том, что они получат ожоги.
- Эстетичность. Отсутствие на виду видимых элементов отопления позволяет создавать современные интерьеры без привязки к тому, как лучше всего скрыть, например, радиаторы или конвекторы.
- Полезность. В доме с теплыми полами намного сложнее простудиться или чувствовать себя некомфортно. Особенно это актуально для семей с маленькими детьми, которых можно просто оставлять на полу без теплых ползунков или шерстяных носков.
Водяной теплый пол, как работает. Теплый пол, как основная система отопления дома
Теплый пол работает по тому же принципу, что и обычные радиаторы, просто он иначе расположен. Батареи стоят вертикально под окнами. Теплый пол — это, условно, большая положенная на бок батарея: он расположен горизонтально и занимает всю площадь помещения. За счет этого дом отапливается более равномерно. В трубы водяного теплого пола, как и в радиаторы, подается жидкость — обычно это вода, но ее температура меньше, чем в радиаторах.
Часто теплый пол дополняет радиаторную систему, но современные технологии позволяют использовать теплый пол и как основное отопление. У меня именно так: на первом этаже водяной теплый пол вмонтирован в бетонную стяжку, а на втором сделан «сухим» способом на деревянном перекрытии.
Отапливать дом целиком теплыми полами я решил главным образом потому, что планировал поставить тепловой насос. Тепловой насос — это современное и технологичное решение. К тому же это было чуть дешевле, чем платить 500 000 Р за подключение газа. Я присмотрел недорогой тепловой насос мощностью 8 кВт.
Что такое тепловой насос
Это аппарат, который использует геотермальное тепло — то есть забирает его из земли. Грунт ниже уровня промерзания круглогодично имеет положительную температуру. Я живу под Санкт-Петербургом, где такая температура — около +6 °C. Тепловой насос использует эту энергию и способен отапливать дом. Устройство работает от электричества. На каждый потребляемый 1 кВт электричества тепловой насос выдает 3—4 кВт тепловой энергии.
Наибольшую эффективность насос показывает как раз при отоплении теплыми полами. Это связано с тем, что в последние нужно подавать воду с низкой температурой: +30…35 °C. В случае с радиаторами пришлось бы греть воду до +70 °C и не факт, что мощности теплового насоса хватило бы для обогрева всего дома в морозы.
Но позже от теплового насоса пришлось отказаться: я выходил за рамки бюджета. В итоге решил обогревать дом электричеством по ночному тарифу. Для такой системы теплые полы тоже хорошо подошли.
Ночной тариф на электричество у нас почти в два раза дешевле дневного. Согласно, стоимость киловатта по дневному тарифу — 4,96 Р , по ночному — 2,68 Р .
Вот так происходил монтаж геоколлектора для теплового насоса. 800 м трубы уложены в четырех траншеях ниже глубины промерзания грунта. Сейчас все это не задействовано, но у меня еще теплится идея установить тепловой насос
Я сразу отказался от электрокотла, так как он показался мне дорогим и ненужным для моего случая.
Принцип действия моей системы такой: с 23:00 до 07:00 включается ТЭН — своего рода большой кипятильник, который нагревает буферную емкость объемом 1000 л. Вода в ней нагревается до +90…95 °C и затем в течение дня подмешивается в теплые полы. Полы постепенно забирают тепло, и к концу дня в буферной емкости температура воды обычно опускается до +30…40 °C.
Если погода не слишком морозная или мы затапливаем в доме камин, полы расходуют меньше энергии и температура воды в баке опускается не так сильно.
В 23:00 снова включается ТЭН и начинается новый цикл: бак нагревается всю ночь, чтобы днем отдавать запас энергии и остывать., за 8 ночных часов мне удается запасти более 70 кВт тепловой энергии и это обходится где-то в 190 Р .
В качестве теплоносителя, то есть жидкости, которая циркулирует в системе отопления, у меня используется вода. Иногда в частных домах вместо воды заливают антифриз, но это более дорогой вариант и он больше подходит, например, для дач, где зимой не живут: антифриз точно не замерзнет в трубах, и их не разорвет из-за перепадов температур.