Монтаж теплого водяного пола своими руками. №1 — подбираем оптимальный вариант труб
- Монтаж теплого водяного пола своими руками. №1 — подбираем оптимальный вариант труб
- Простой теплый пол своими руками. Калькуляция мощности
- Теплый пол водяной. Возможные проблемы строительства автономного дома
- Водяной теплый пол схемы монтажа. Какую систему выбрать
- Водяной теплый пол своими руками в частном доме. Теплые водяные полы в частном доме – инструкция, как сделать своими руками
- Монтаж теплого пола. Монтаж инфракрасного электрического теплого пола
- Бюджетный теплый пол своими руками. Утеплитель
Монтаж теплого водяного пола своими руками. №1 — подбираем оптимальный вариант труб
Сейчас используются два вида труб — PE-X и PERT, оба изготовлены из сшитого полиэтилена. Преимущество у изделий PE-Xa, так как благодаря 85-процентной плотности сшивки они обладают эффектом памяти.
Полезный эффект заключается в том, что растянутые теплоносителем с высокой температурой или деформированные трубы всегда возвращаются в изначальное положение.
PE-Xa трубы вместе с аксиальными фитингами можно смело замуровывать в цемент, тогда как альтернативные изделия PERT с цанговыми фитингами следует оставлять в открытом доступе
Применение труб PERT оправдано, если в стяжке будут находиться цельные отрезки, а фитинги установлены только для крепления к коллектору.
Опытные строители не рекомендуют применять композитные трубы с алюминиевой фольгой – всегда существует риск отслоения металлизированного слоя. Если нужна максимальная надежность и изолированность, то лучше использовать продукцию с усилением из поливинилэтилена, расположенным внутри изделий.
Для водяных полов применяют три стандартных типоразмера изделий: Ø 16 мм, 17 и 20 мм с толщиной стенки 2 мм. Диаметр указан на маркировке, нанесенной по всей длине трубы
Строительные компании обычно работают с проверенными производителями, отвечающими за эксплуатационные качества своей продукции. Хорошо себя зарекомендовала продукция раскрученных марок Rehau и Valtec , а также менее известных Tece , KAN , Uponor .
Подробнее о выборе труб для укладки водяного теплого пола читайте в этой статье .
Простой теплый пол своими руками. Калькуляция мощности
Нет никакой необходимости закупать материал по принципу «кашу маслом не испортишь».
- Во-первых, каждый лишний метр нагревателя, это дополнительные затраты.
- Во-вторых, даже если вы будете выставлять уровень нагрева на минимум, перерасхода энергии не избежать. А вы и так выбрали самый дорогостоящий способ отопления.
- В-третьих, излишняя плотность укладки негативно влияет на сами элементы (это касается кабельных систем). От взаимного перегрева возможно термическое разрушение изоляции или даже проводника.
При калькуляции обязательно учитываются климатические условия региона. Согласитесь, нет смысла монтировать мощную и энергоемкую систему, если температура в зимнее время редко опускается ниже нуля. И, напротив: в северных условиях, маломощный теплый пол будет бесполезен: 90% энергии уйдет на компенсацию мороза.

Типовой расчет мощности производится для условий эксплуатации теплого пола, когда средняя температура зимой не снижается дальше, чем –10°C.
- Комнаты общего пользования (гостиная, кухня, прихожая с коридорами) — 150 Вт на м²;
- Помещения постоянного пребывания (спальня, детская, кабинет) — 130–150 Вт на м²;
- Закрытый балкон или застекленная лоджия (открытые помещения не обогреваются) — 200 Вт на м²;
- Сантехнические помещения — 180 Вт на м².
Кроме того, расчет мощности на каждое помещение производится не по всей проекции пола, а только для открытых участков. Это особенность системы «теплый пол», она одинакова для всех видов объектов.
Принцип очень простой: под постоянно установленной мебелью или бытовой техникой, элементы обогрева не устанавливаются.

Такая технология применяется вовсе не по причине рационального использования площади нагрева (хотя и этот фактор надо учитывать). Рабочие элементы нагреваются довольно сильно. Для нормальной работы требуется естественная конвекция: теплый воздух должен подниматься вверх. Если сверху расположен предмет большой площади (шкаф, холодильник, стиральная машина), температура в районе нагревательных элементов будет повышаться, пока они не выйдут из строя. Либо автоматика постоянно будет отключать питание, и не даст возможности прогреть помещение.
То есть, вы должны замерить площадь помещения, затем вычислить среднюю площадь мебели, предполагаемой к установке, и вычесть результат.
Важно: Это основная проблема при монтаже теплого пола в стяжку. После того, как вы сформируете конфигурацию комнаты, и зафиксируете нагреватели «в камне», передвигать мебель будет нельзя.
Разумеется, типовое расположение мебели не меняется десятилетиями. Но если вы хотите кардинально изменить дизайн интерьера, ничего не выйдет.
На самом деле, это решаемый вопрос. Во-первых, если вы укладываете инфракрасные нагреватели пленочного типа, конфигурация легко меняется (стоит только приподнять финишное покрытие). Во-вторых, «монолитную» укладку тоже можно изменить, не трогая сами элементы. Правда, придется немного переплатить за «лишние» участки и кабель питания.
Вы покупаете нагревательные элементы не для эффективной площади (между мебелью), а для всей поверхности пола. Подключение производится не последовательно, а по квадратам. То есть, каждый участок (примерной площадью 1 м²) становится автономным.

Общая коммутация, и соединение с единым блоком управления, производится в стеновой распределительной коробке. При необходимости, в любой момент вы сможете подключить или отсоединить каждый отдельный квадрат. Делайте хоть шахматное поле.
При такой конфигурации вы сможете менять рисунок «горячих» участков сколько угодно, после каждой перестановки мебели.
Итак, вы определились с выбором нагревательных элементов, и способом монтажа. Разберем, как укладывать электрический теплый пол в разных вариантах своими руками.
Теплый пол водяной. Возможные проблемы строительства автономного дома
О теплом водяном поле на нашем портале написано немало статей и создано множество тем, где пользователи делятся опытом его монтажа. Тем не менее, вопросов у начинающих застройщиков о том, что это за система, и какие плюсы и минусы у неё есть, остаётся немало. Чтобы не повторяться, советуем прочитать статью «Тёплый пол - советы и рекомендации по выбору» , где эксперты подробно рассказывают о базовых принципах работы и преимуществах этой системы поверхностного отопления.

Мы же попробуем взглянуть на теплый водяной пол с другой стороны и рассмотреть его как элемент, повышающий автономию загородного дома. Для начала разберемся с понятием «автономный дом» применительно к нашей стране.
Практика показывает, что автономный дом за границей и у нас — это две большие разницы как по подходу к его проектированию и строительству, так и к дальнейшей эксплуатации. Чаще всего начинающий застройщик представляет себе автономный коттедж как полностью независимый от всех внешних энергосетей. Проще говоря, дом оборудован инженерными устройствами, которые вырабатывают достаточно электроэнергии для питания всего оборудования в коттедже. Это может быть котёл, насосы, бытовая техника и т.д.

От бесперебойного электроснабжения полностью зависит «жизнь» современного дома.
Если, на крайний случай, воду можно добыть из колодца, дом отопить углём или дровами, то, условно говоря, если выдернуть современный коттедж «из розетки», то остановится вся «инженерка». Не рассматриваем частные случаи строительства полностью энергонезависимых домов, которые отапливаются печкой, а система отопления построена на гравитационном принципе работы, т.е. не нуждается в циркуляционных насосах.
Главный «подводный камень» для застройщиков, решивших уйти в «автономку», состоит в том, что солнечные батареи, гелиоколлекторы и ветряки, в силу дороговизны, не могут использоваться в холодных областях России, как единственные источники энергии.

Зачастую, просчитав стоимость строительства такой системы, например, на базе фотоэлементов, в которой «слабым местом» становятся дорогие аккумуляторы – их нужно менять через несколько лет, с учетом недостатка солнечных дней, пользователь понимает, что затраты никогда не отобьются.
Чем больше площадь дома, тем дороже перевести его на полностью автономное энергоснабжение.
Когда речь заходит о заграничном опыте, то многие думают: «вот у них…, а почему так у нас». Но, например, в Германии ветрогенераторы давно превратились в обыденность, а излишки электроэнергии, выработанной на «солнечной ферме», частник может продать электросетям. «Зелёная» энергетика «там» является дотационной, и государство всячески стимулирует её развитие, с каждым годом увеличивая выработку альтернативки. Большую роль играет и более мягкий климат.
В наших реалиях застройщик вынужден, в первую очередь, полагаться на себя. И, хотя число энтузиастов автономии растёт, а системы с каждым годом становятся доступнее, в большинстве случаев застройщиков интересует лишь частичное независимое энергоснабжение коттеджа. Т.е. возможность с комфортом переждать аварийное отключение электричества или аварию в котельной – зимой и при этом не замёрзнуть. В этом случае на первое место выходит связка автономный дом — экономичный дом , расходующий меньше энергии в случае форс-мажорных обстоятельств.
Исходя из этого, современный загородный дом должен быть теплоинерционным — т.е. его конструкция должна быть рассчитана таким образом, чтобы строение при обычной эксплуатации запасало энергию. Для этого стены, пол, перекрытия возводятся из материалов, обладающих большой массой, а также хорошей теплоёмкостью и теплоотдачей.
Хороший пример такого стенового материала — обычный полнотелый кирпич. Конечно, не всегда это возможно сделать (например, в каркасных домах). В таком случае теплый водяной пол становится одним из элементов системы, повышающей степень автономии загородного дома.
Водяной теплый пол схемы монтажа. Какую систему выбрать
По стоимости сухие системы обходятся дороже: их комплектующие (если брать готовые, заводские) стоят больше. Но они весят намного меньше и быстрее вводятся в эксплуатацию. Есть несколько причин, по которым стоит использовать именно их.
Первая: большой вес стяжки. Далеко не все фундаменты и перекрытия домов способны вынести нагрузку, создаваемую водяным теплым полом в бетонной стяжке. Над поверхностью труб должен быть слой бетона не менее 3 см. Если учесть, что наружный диаметр трубы составляет тоже порядка 3 см, то общая толщина стяжки 6 см. Вес получается более чем значительный. А сверху часто еще плитка на слое клея. Хорошо, если фундамент рассчитан с запасом — он выдержит, а если нет — начнутся проблемы. Если есть подозрение, что перекрытие или фундамент не вынесут нагрузки, лучше делать деревянную или полистирольную систему.
Вторая: низкая ремонтопригодность системы в стяжке. Хотя при укладке контуров теплого пола рекомендуется укладывать только цельные бухты труб без соединений, периодически трубы повреждаются. Или при ремонте попали сверлом, или лопнула из-за брака. Место повреждения можно определить по влажному пятну, но отремонтировать сложно: приходится разбивать стяжку. При этом можно повредить соседние петли, из-за чего зона повреждения становится больше. Даже если удалось сделать аккуратно, приходится делать два шва, а именно они — потенциальные места следующего повреждения.

Процесс монтажа водяного теплого пола
Третий: ввод в эксплуатацию теплого пола в стяжке возможен только после того, как бетон наберет 100% ресурс прочности. На это уходит не менее 28 дней. До этого срока включать теплый пол нельзя.
Четвертый: у вас сделан деревянный пол. Сама по себе тяжка на деревянном полу — не лучшая затея, а еще стяжка с повышенной температурой. Древесина быстро разрушится, обрушится вся система.
Причины серьезные. Потому, в некоторых случаях, более целесообразно использовать сухие технологии. Тем более, что деревянный водяной теплый пол своими руками обходится не так и дорого. Самый дорогой компонент — металлические пластины, но их тоже можно сделать из тонкого листового металла и лучше — алюминия. Важно уметь гнуть, формуя пазы для труб.
Водяной теплый пол своими руками в частном доме. Теплые водяные полы в частном доме – инструкция, как сделать своими руками
Один из важных вопросом, который встаёт при строительстве частного дома — как своими руками правильно сделать систему отопления для комфортного существования.
Сегодня, в загородных домах популярными являются водяные тёплые полы. Несмотря на трудоёмкость процесса при их сооружении и дороговизну, конструкция окупится в течение 5 лет.
Важно! Начиная строить дом, рекомендуется заранее продумать систему отопления.

Проектирование
Особенно выгодным и оптимальным решением считается монтаж водяного контура в коттеджах, имеющих газовые котлы. Данная конструкция менее затратная в плане затрат энергоресурсов и проста в эксплуатации, в результате чего является наиболее эффективной.
Система может работать безупречно лишь при наличии профессионально сделанного проекта и при грамотном монтаже.
Поэтому, прежде чем начать монтаж водяного отопления в каркасном доме или на даче, первым делом нужно подготовить проект. При составлении проекта, следует продумать вид материала, который будет укладываться в «пирог» и толщину каждого слоя.
Кроме того, требуется изготовить план размещения труб. Изобразить схему можно на обычном листке в клеточку, где каждая клетка будет шагом укладки контура.
Шаг зависит от климатических особенностей региона. В местах с умеренными климатическими условиями:
- при хорошей теплоизоляции в доме — шаг 20 см;
- при отсутствии качественного утепления стен из кирпича, бетона или дерева — 10 см;
- в больших помещения, при наличии тёплых и холодных стен — шаг делается различный, у тёплых стен — он больше, у холодных — меньше.
Устройство тёплого пола
«Пирог» тёплого водяного пола — многослойная конструкция с жидким теплоносителем внутри. Основной элемент тёплого пола — труба из металла или полимера, по которой осуществляется циркуляция воды или антифриза. Каждый слой имеет свое предназначение, и играет важную роль для эффективного функционирования всей системы в целом. Поэтому, при сооружении следует соблюдать четкую последовательность.
«Пирог» водяного пола выглядит следующим образом:
- основание — из дерева или бетонной плиты;
- гидроизоляция — полиэтиленовая плёнка (0,1 мм);
- теплоизоляция — пенополистирольные плиты, или другой утеплитель с плотностью 40 кг/м³ и толщиной от 300 мм;
- водяной контур — трубопровод;
- арматурная сетка — обеспечивает плотность стяжки, допустимая толщина прутьев 3 — 5 мм;
- бетонная стяжка — раствор из бетона и цемента с пластификаторами;
- финишное покрытие — любой материал совместимый с греющими полами.

В общей сложности, толщина данной конструкции в частном доме может составлять от 7 до 15 см. Контур водяного пола подсоединяется к коллекторному узлу.
Водяные конструкции бывают:
- Тяжёлыми (мокрыми) — один из наиболее распространённых вариантов. Важная роль тут отводится черновому основанию, на него кладётся гидро- и теплоизоляция, трубы и армирующая сетка, и все заливается бетонным раствором. Данный способ рекомендован для кирпичных коттеджей имеющих бетонные перекрытия, которые способны выдержать тяжесть стяжки.
Важно! Слой бетона под контуром не должен быть меньше 3 см.

- Лёгкими — основой под трубами являются пенополистирольные плиты. Они укладываются на черновой пол и на них монтируется водяной контур. Так как плиты оснащены бобышками, с помощью которых фиксируются трубы, то не требуется их дополнительное крепление. Сверху укладываются теплопластины, на которые стелется напольное покрытие.
К сведению! Данный вариант подходит для частных домов с деревянными перекрытиями, которые не способны выдержать тяжёлую конструкцию.

- По деревянным рейкам — то есть основой будут служить дерево, к которому монтируются нагревательные элементы. Эта конструкция закрывается гипсоволокном и финишным покрытием. Но данный метод не надёжен, поэтому рекомендован для укладки в крайнем случае.

Способы укладки контура
Существует три основные способа укладки контура в частном доме своими руками, но все они имеют один общий момент — трубы монтируются от стен по направлению к центру:
- «Улитка» — укладка контура производится по спирали от стен к центру, и обратно. При этом, конструкция сужается к центру помещения. При составлении схемы следует помнить что нужно оставлять место между трубами, для их возвращения к питающему источнику. При помощи данной схемы обогрев напольного покрытия получается равномерный, при этом снижается уровень гидравлического сопротивления. Количество трубного материала при такой укладке меньше, чем при других способах. Основной недостаток — сложный монтаж.

- «Змейка» — трубы размещаются вдоль стен в виде петель. Вариант лёгкий, но при нём не возможно добиться равномерного прогрева полов, так как температура при входе и выходе существенно различается.

- Комбинированный способ — в нём объединяются обе схемы. Подходит для помещений с холодными стенами. Вдоль стен контур укладывается «змейкой», а по центру «спиралью». Этот способ позволяет сэкономить на трубах и увеличить энергоэффективность устройства.
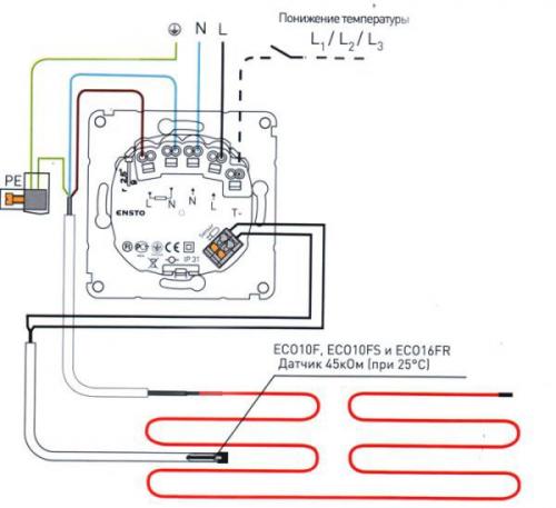
Монтаж теплого пола. Монтаж инфракрасного электрического теплого пола
Инфракрасный (пленочный) теплый пол монтируется с некоторыми отличиями от своего кабельного «собрата». Следуйте инструкции.

Монтаж инфракрасного электрического теплого пола

Электрический инфракрасный теплый пол

Принципиальная схема подключения ИПО
Составляем схему укладки
Первый шаг. Выбираем место установки терморегулятора. Его монтаж рекомендуется выполнять с 15-сантиметровым отступом от поверхности пола.

Монтаж скрытого терморегулятора теплого пола

Монтаж скрытого терморегулятора теплого пола
Второй шаг. Составляем схему укладки системы обогрева.
Важно: пленку нельзя размещать под крупными бытовыми приборами, мебелью и прочими тяжелыми вещами.
При составлении схемы учитывайте следующие важные нюансы:
- первый ряд пленки должен быть уложен с отступом не менее 100 мм и не более 400 мм от стен;
- если теплый пол будет применяться в качестве основной системы обогрева, он должен занимать как минимум 70-75% суммарной площади поверхности;
- если инфракрасная пленка укладывается в качестве дополнения к имеющемуся обогреву, достаточно, чтобы она занимала порядка 40-50% площади основания.
Укладываем и подключаем систему
Первый шаг. Раскладываем инфракрасную пленку поверх теплоизоляции. Придерживайтесь составленной схемы. При необходимости пленку можно резать по заводским линиям.

Раскладываем инфракрасную пленку поверх теплоизоляции

Резка матов
Укладку элементов выполняйте медными частями контактов вниз по направлению к стене с терморегулятором
Второй шаг. Подключаем контактные зажимы к краю медной полоски и подсоединяем провода.
Конструкция инфракрасного теплого пола

Подключение инфракрасного теплого пола
Третий шаг. Изолируем места разрезов инфракрасной пленки и соединений зажимов и кабелей. Для изоляции хорошо подходит специальная битумная мастика.

Подключение инфракрасного теплого пола
Важно: чем длиннее нагревательные полотнища, тем меньше должно быть контактов. Помните: полоса не может быть длиннее 8 м.
Часть зажимов устанавливайте на токонесущую поверхность. Оставшиеся располагайте внутри нагревательной пленки.
Бюджетный теплый пол своими руками. Утеплитель
Если надо сделать экономично - не используйте всевозможные маты для теплого пола. Всевозможные европейские системы вроде таких, как маты с бобышками - это затратное в финансовом плане решение, хотя, возможно, кому то проще монтировать именно таким способом.
"Отражающая" фольгированная подложка из вспененного полиэтилена которую некоторые кладут прямо на грунт или на слой утеплителя - не работает вообще. Ничего не утепляет (т.к. сжимается в ноль) и не отражает (т.к. нет воздушного зазора). Не предусмотрена ни одной технологией монтажа. "Отражающая" подложка - удел малограмотных кустарей и самодельщиков. И это выброшенные деньги в лучшем случае. В худшем - если алюминиевая фольга не ламинирована, то она вступает в реакцию со щелочной средой растворной стяжки и разрушится за пару недель, вызывая снижение марки раствора и последующее растрескивание стяжки.
Не надо покупать "отражающую" фольгированную подложку. Она не работает.
Не надо покупать "отражающую" фольгированную подложку. Она не работает.
Используйте для утепления теплого пола пенополистерол , лучше экструдированный. Выбор всё шире и производители обычно указывают какая продукция в их каталогах специально предназначена в качестве утеплителя под стяжку пола. Если придется использовать более дешевый пенополистерол ПСБ, то требуемая плотность пенополистерола 35 кг/м3. Всегда уточняйте и проверяйте реальную плотность, т.к. марка ПСБ 35 вовсе не означает реальную плотность 35 кг/ м.куб. Тщательно выбирайте изготовителя ПСБ что бы не купить, то что будет крошится сразу уже в руках. Иной раз, лучше купить более высокую марку, например ПСБ 50.
Не экономьте на толщине слоя теплоизоляции, между отапливаемыми этажами д.б. слой 30 мм, на грунт от 50 мм до 100 и более (согласно расчетам). Иначе потратите больше при отоплении и поимеете другие проблемы.
Мануалы не требуют приклеивать или прибивать "грибами" утеплитель к основанию. Т.е., чаще всего, не стоит тратить на это время, силы и дополнительные материалы.
Игнорируйте такую фикцию как разрекламированный отечественный пенополистерольный " пенощит ", имитирующий маты с бобышками. Вставленная в пазы труба потеряет очень большую площадь контакта с раствором и, соответственно, снизится теплоотдача. Это выброшенные деньги
Пенощит - не надо так делать. Не имеет аналогов в развитых станах, это не мат с бобышками.
Источник: https://gorizont-pro.ru/stati/teplyy-vodyanoy-pol-svoimi-rukami-raschet-teplogo-vodyanogo-pola